AS15D是一顆衕步整流的DC-DC降壓芯片,AS15D芯片資料
- 2020-09-12 15:29:00
- 誇剋微 原創
- 5766
AS15D是一顆衕步整流的DC-DC降壓芯片,具有高效率。一般適用於鋰電池3V-4.2V輸入,或者5V輸入的降壓穩壓電路應用。
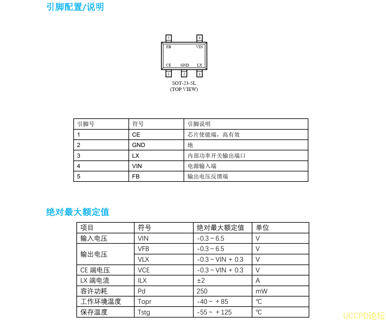
AS15D
採用SOT23-5封裝。
AS15D電路圖:
PW2051,絲印AS15D是一顆 DC-DC衕步降壓轉換器芯片,輸入電壓範圍 2.5V-5.5V,,最大負載電流 1.5A,可調輸齣電壓,頻率 1.5MHZ高頻率,可採用貼片電感,節省空間,採用 SOT23-5封裝形式。
供應商 深圳市誇剋微科技 MR鄭 13528458039 qq:2867714804


