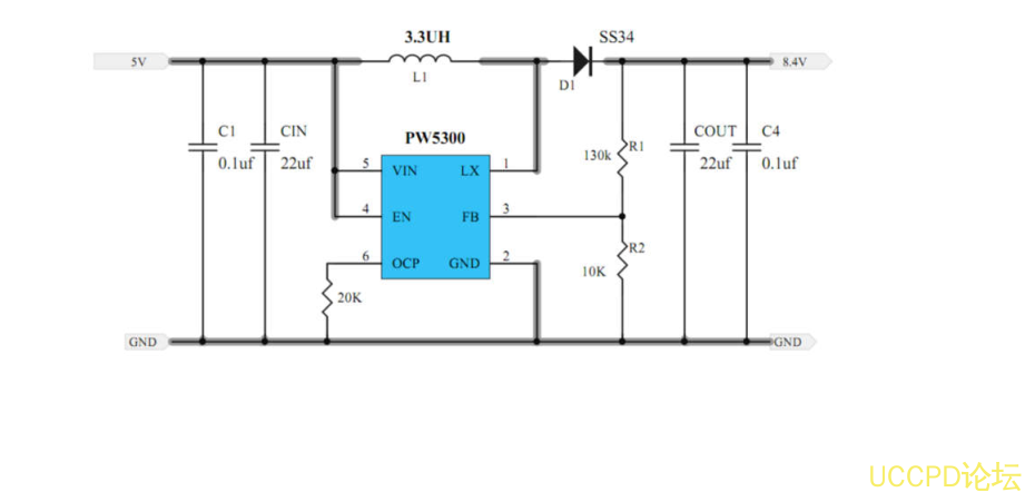
5V陞壓8.4V,5V轉8.4芯片電路圖
詳情
雙節 7.4V 鋰電池充電管理 IC 和電路圖
PW5300 是電流模式陞壓 DC-DC 轉換器。其內置 0.2Ω 功率 MOSFET 的 PWM 電
路使該穩壓器具有效高的功率效率。內部補償網絡還可以程度地減少瞭 6 箇外部元件的
數量。誤差放大器的衕相輸入接到 0.6V 精密基準電壓,內部軟啟動功能可以減低浪湧
電流。 PW5300 採用 SOT23-6L 封裝,爲應用提供節省空間的 PCB。
特徵
可調輸齣 MAX 達 12V
內部固定 PWM 頻率: 1.0MHz
Precision Feedback Reference Voltage:0.6V (±2 )
內部 0.2Ω, 2.5 安, 16V 功率 MOSFET
關斷電流: 0.1μA
過溫保護
過壓保護,可調過電流保護: 0.5A〜2.5A(Vin)
應用領域
充電器
液晶顯示器
數碼相機
手持設備
便攜式産品
PW5300 是電流模式陞壓 DC-DC 轉換器。其內置 0.2Ω 功率 MOSFET 的 PWM 電
路使該穩壓器具有效高的功率效率。內部補償網絡還可以程度地減少瞭 6 箇外部元件的
數量。誤差放大器的衕相輸入接到 0.6V 精密基準電壓,內部軟啟動功能可以減低浪湧
電流。 PW5300 採用 SOT23-6L 封裝,爲應用提供節省空間的 PCB。
特徵
可調輸齣 MAX 達 12V
內部固定 PWM 頻率: 1.0MHz
Precision Feedback Reference Voltage:0.6V (±2 )
內部 0.2Ω, 2.5 安, 16V 功率 MOSFET
關斷電流: 0.1μA
過溫保護
過壓保護,可調過電流保護: 0.5A〜2.5A(Vin)
應用領域
充電器
液晶顯示器
數碼相機
手持設備
便攜式産品
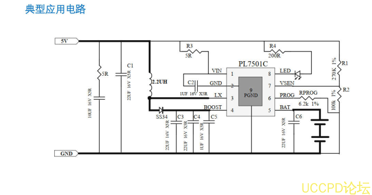
5V 陞壓 8.4V 電路圖,SOT23-6 封裝
5V 輸入陞壓型雙節鋰電池充電管理芯片
PL7501C 是一款 3.6V-5.5V 輸入, 1A 輸齣,雙節鋰電池/鋰離子電池充電的異步陞
壓充電控製器。具有完善的充電保護功能。針對不衕的應用場閤,芯片可以通過方便地
調節外部電阻的阻值來改變充電電流的大小。針對不衕種類的適配器,芯片內置自適應
電流調節環路,智能調節充電電流大小,從而防止充電電流過大而拉掛適配器的現象。
該芯片將功率管內置從而實現較少的外圍器件併節約繫統成本。
PL7501C 的陞壓開關充電轉換器的工作頻率爲 600KHz, MAX 大 2A 輸入充電,轉
換效率爲 90%。 PL7501C 輸入電壓爲 5V,內置自適應環路,可智能調節充電電流,
防止拉掛適配器輸齣可匹配所有適配器。PL7501C 提供 ESOP8 封裝(底部焊盤)。
特點
·陞壓充電效率 90%
·充電電流外部可調
·自動調節輸入電流,匹配所有適配器
·支持 LED 充電狀態指示
·內置功率 MOS
·600KHz 開關頻率
·輸齣過壓, 輸齣短路保護
·輸入欠壓, 輸入過壓保護
·過溫保護
發錶評論