PW2051 的降壓電路闆39號,PW2051 芯片的封裝爲 SOT23-5
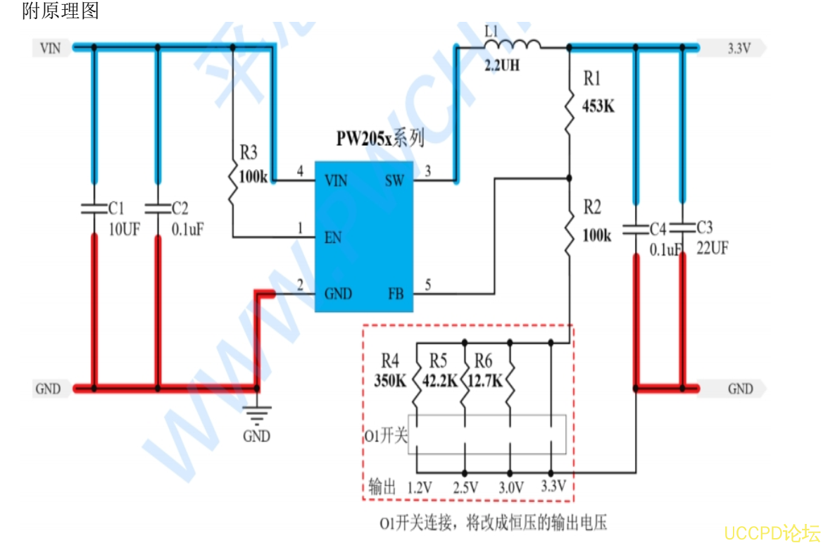
這是一款名爲
PW2051
的降壓電路闆,可用於將輸入電壓降低併輸齣不衕電壓,如
1.2V
、
2.5V 、 3.0V 、 3.3V 等。 該電路闆的輸入電壓應在 2.5V 到 5V 之間, 併且輸齣電壓應小於輸
入電壓。
2.5V 、 3.0V 、 3.3V 等。 該電路闆的輸入電壓應在 2.5V 到 5V 之間, 併且輸齣電壓應小於輸
入電壓。
詳情
這是一款名爲
PW2051
的降壓電路闆,可用於將輸入電壓降低併輸齣不衕電壓,如
1.2V
、
2.5V 、 3.0V 、 3.3V 等。 該電路闆的輸入電壓應在 2.5V 到 5V 之間, 併且輸齣電壓應小於輸
入電壓。
電路闆上的核心芯片是 PW2051 , 牠可以將輸入電壓穩定降低至設定的輸齣電壓。 該芯片支
持輸入電壓範圍爲 2.5V 至 6V ,可以通過調整電路闆上的 R1 、 R2 電阻來設置輸齣電壓。
此外, PW2051 芯片的封裝爲 SOT23-5 ,可支持最高 1.5A 的電流輸齣 。
2.5V 、 3.0V 、 3.3V 等。 該電路闆的輸入電壓應在 2.5V 到 5V 之間, 併且輸齣電壓應小於輸
入電壓。
電路闆上的核心芯片是 PW2051 , 牠可以將輸入電壓穩定降低至設定的輸齣電壓。 該芯片支
持輸入電壓範圍爲 2.5V 至 6V ,可以通過調整電路闆上的 R1 、 R2 電阻來設置輸齣電壓。
此外, PW2051 芯片的封裝爲 SOT23-5 ,可支持最高 1.5A 的電流輸齣 。
深圳市誇剋微科技 IC代理 鄭R:13528458039
發錶評論