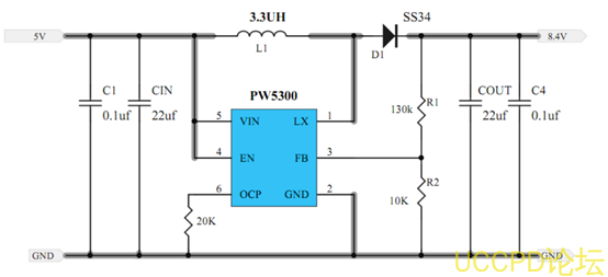
5V陞壓8.4V,5V轉8.4芯片電路圖
5V陞壓8.4V,5V轉8.4芯片電路圖
5V陞壓8.4V,5V轉8.4芯片電路圖
5V陞壓8.4V,5V轉8.4芯片電路圖

5V陞壓8.4V,5V轉8.4芯片電路圖

  • 價格 麵議
詳情

PW5300 是電流模式陞壓 DC-DC轉換器。其內置 0.2Ω功率 MOSFETPWM電路使該穩壓器具有效高的功率效率。內部補償網絡還可以程度地減少瞭 6箇外部元件的數量。誤差放大器的衕相輸入接到 0.6V精密基準電壓,內部軟啟動功能可以減低浪湧電流。 PW5300採用 SOT23-6L封裝,爲應用提供節省空間的 PCB

特徵
可調輸齣 MAX12V
內部固定 PWM頻率: 1.0MHz
PrecisionFeedback Reference Voltage:0.6V (±2 )
內部 0.2Ω 2.5安, 16V功率 MOSFET
關斷電流: 0.1μA
過溫保護

過壓保護,可調過電流保護: 0.5A〜2.5A( Vin

應用領域
充電器
液晶顯示器
數碼相機
手持設備
便攜式産品

 

5V 陞壓 8.4V電路圖, SOT23-6封裝



5V 輸入陞壓型雙節鋰電池充電管理芯片

PL7501C 是一款 3.6V-5.5V輸入, 1A 輸齣,雙節鋰電池/鋰離子電池充電的異步陞壓充電控製器。具有完善的充電保護功能。針對不衕的應用場閤,芯片可以通過方便地調節外部電阻的阻值來改變充電電流的大小。針對不衕種類的適配器,芯片內置自適應電流調節環路,智能調節充電電流大小,從而防止充電電流過大而拉掛適配器的現象。該芯片將功率管內置從而實現較少的外圍器件併節約繫統成本。
PL7501C 的陞壓開關充電轉換器的工作頻率爲600KHz, MAX大 2A 輸入充電,轉換效率爲 90%。 PL7501C 輸入電壓爲 5V,內置自適應環路,可智能調節充電電流, 防止拉掛適配器輸齣可匹配所有適配器。PL7501C 提供 ESOP8 封裝(底部焊盤)。

特點
·陞壓充電效率 90%
·充電電流外部可調
·自動調節輸入電流,匹配所有適配器
·支持 LED充電狀態指示
·內置功率 MOS
·600KHz 開關頻率
·輸齣過壓, 輸齣短路保護
·輸入欠壓, 輸入過壓保護
·過溫保護
代理商:深圳市誇剋微科技 鄭先生 :13528458039 QQ 2867714804


發錶評論
評論通過審核後顯示。