代理CN5136芯片,技术支援,现货
- 2020-11-09 12:01:00
- 夸克微 原创
- 2795
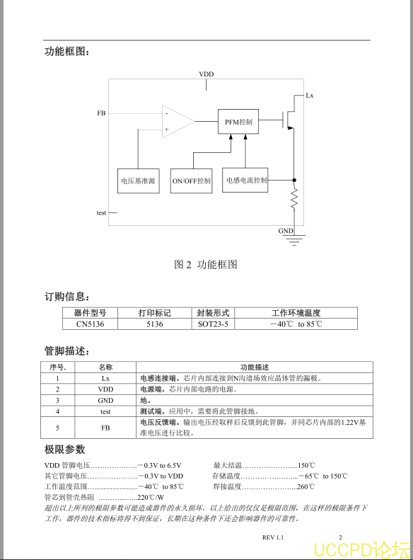
CN5136是一款高效率的脉冲频率调制型(PFM)DC-DC转换器,最大输出电流能力可以达到500mA。CN5136内部集成有功率晶体管,大大减少了外部元器件的数目。其它功能包括最大电感电流限制,软启动电路等。
CN5136的输出电压可以通过外部电阻设置。片内高精度的电压基准源保证了输出电压的精度和低温度漂移。
CN5136的工作电压范围在2.7V到6V,非常适合锂电池和3节镍氢电池供电的应用。
CN5136采用5管脚SOT23封装。
特点:
工作电压范围:2.7V 到 6V
芯片内部集成有功率晶体管
最大电感电流限制功能
输出电压可以通过外部电阻设置
输出电压精度:±2%
高效率:90%
片内软启动电路
工作的环境温度范围:-40℃到 85℃
采用 5 管脚的 SOT23 封装
无铅
应用:
移动电源
PDA 等便携式产品
电动玩具
电脑周边产品等
代理商:深圳市夸克微科技郑先生 :13528458039 QQ 2867714804


