代理CN5120芯片,技术支援,现货
- 2020-11-09 11:57:00
- 夸克微 原创
- 2755
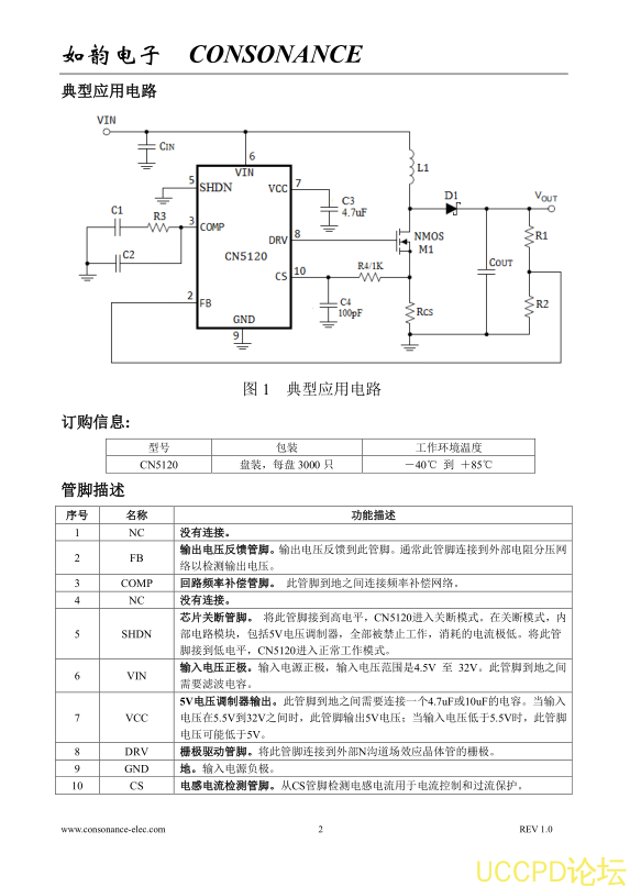
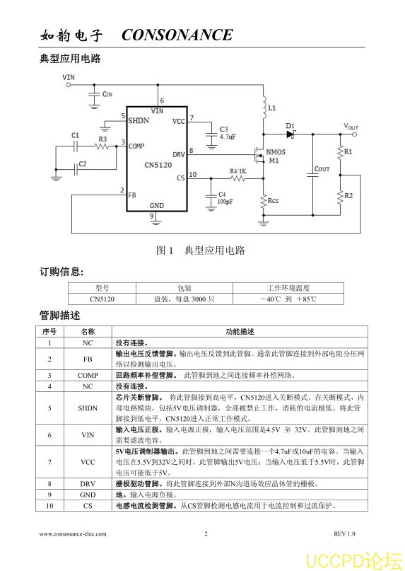
CN5120是电流模式固定频率升压或Flyback直流-直流转换控制集成电路。CN5120的输入电压范围是4.5V至32V,外围元器件少,应用简单。
CN5120内部包括带隙基准电压,330KHz的振荡器,电流模式控制单元, 芯片关断电路,软启动电路和栅极驱动电路等。电流控制模式提高了系统的瞬态响应,简化了回路补偿。芯片内部的软启动电路减小了上电时的浪涌电流。其他功能包括芯片关断功能,输出过压保护功能,内置5V电压调制器和斜坡补偿等。
CN5120采用10管脚SSOP封装。
特点:
⚫ 峰值电流模式升压直流-直流控制器
⚫ 输入电压范围:4.5V 到 32V
⚫ 开关频率:330kHz
⚫ 输出电压精度:±2%
⚫ 每个周期电感电流限制功能
⚫ 内部斜坡补偿功能
⚫ 内部软启动电路
⚫ 内置 5V 电压调制器
⚫ 极低关断电流
⚫ 工作温度范围:
-40℃ 至 85℃
⚫ 采用SSOP-10封装
⚫ 产品无铅,满足Rohs,不含卤素
应用:
⚫ TFT-LCD 偏置电压源
⚫ XDSL 电源
⚫ 医疗仪器
⚫ 数字摄像机
⚫ 手持式设备
代理商:深圳市夸克微科技郑先生 :13528458039 QQ 2867714804


