18V转12V转9V转5V转3.3V转3V芯片,DC-DC和LDO
- 2020-11-14 16:06:00
- 夸克微 原创
- 3066
18V转 12V, 18V转 9V, 18V转 5V, 18V转 3.3V, 18V转 3V,
18V常降压转成 5V电压, 3.3V电压和 3V电压给其他芯片或设备供电,适用于这个电压的 DC-DC很多, LDO也是有可以选择的。 LDO芯片如 PW6206, PW8600等。 DC-DC芯片如: PW2162,PW2312,PW2330等等很多选择。如下表
在 18V输入中,比较合适的 LDO可以选择: PW6206,输出电压 3V,3.3V,5V
输入电压最高 40V,功耗也低 4uA左右。在 18V输入中,比较合适的 DC-DC可以选择: 2A的 PW2162, 1.2A的 PW2312和 3A的 PW2330都最合适的。
PW2162是一颗 DC-DC同步降压转换器芯片,输入电压范围 4.5V-16V,最大负载电流 2A,可调输出电压,频率 600kHZ高频率,可采用贴片电感,节省空间,采用 SOT23-6封装形式。
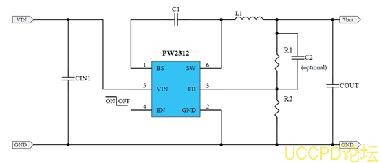
PW2312是一颗 DC-DC同步降压转换器芯片,输入电压范围 4V-30V,最大负载电流 1.2A,可调输出电压,频率 1.4MHZ高频率,可采用贴片电感,节省空间,采用 SOT23-6封装形式。
PCB图适用于 PW2162和 PW2312案例:




