20V转5V,20V转3.3V,20V转3V的降压芯片和LDO芯片
- 2020-11-14 16:10:00
- 夸克微 原创
- 3064
20V转 5V, 20V转 3.3V, 20V转 3V, 20V转 1.8V,
20V转 5V降压芯片, 20V转 3.3V降压芯片, 20V转 3V降压芯片, 20V转 1.8V。
20V我们常常需要转 3.3V或者 5V输出稳压,例如给 MCU供电等其他小电流应用时,我们常常选择 LDO芯片,而且功耗也很低。
DC-DC符合
100MA起以上电流时,的选择,
LDO因为两个电压差太高,效率低的同时,温度及其高,不利于电路的稳定和工作。
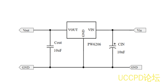
在 20V输入中,比较合适的 LDO可以选择: PW6206,输出电压 3V,3.3V,5V
输入电压最高 40V,功耗也低 4uA左右,封装采用 SOT23-3。代理商:深圳市夸克微科技 郑先生 :13528458039 QQ 2867714804
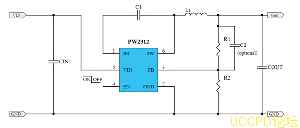
在 20V输入中,比较合适的 DC-DC可以选择: 1.2A的 PW2312和 3A的 PW2330以及以上都合适的。
PW2312是一颗 DC-DC同步降压转换器芯片,输入电压范围 4V-30V,最大负载电流 1.2A,可调输出电压,频率 1.4MHZ高频率,可采用贴片电感,节省空间,采用 SOT23-6封装形式。


