20V转12V,20V转9V转5V芯片,DC-DC降压和LDO
- 2020-11-14 16:14:00
- 夸克微 原创
- 2931
20V转 15V , 20V转 12V, 20V转 9V, 20V转 5V, 20V转 3.3V, 20V转 3V, 20V转 1.8V, 20V转 1.2V.
20V我们常常需要转 3.3V或者 5V输出稳压,例如给 MCU供电等其他小电流应用时,我们常常选择 LDO芯片,而且功耗也很低。
DC-DC符合 100MA起以上电流时,的选择, LDO因为两个电压差太高,效率低的同时,温度及其高,不利于电路的稳定和工作。
注意
20V输入时,在通电和接上电时,会产生输入尖峰电压,一般是
0.5V倍
-3倍左右,所以我们需要选择输入电压范围更宽的
LDO或者
DC-DC的同时,输入改用电解电容也能吸收尖峰电压,保护芯片不被过高电压击伤损坏。
在 20V输入中,比较合适的 LDO可以选择: PW6206,输出电压 3V,3.3V,5V
输入电压最高 40V,功耗也低 4uA左右。代理商:深圳市夸克微科技 郑先生 :13528458039 QQ 2867714804
在 20V输入中,比较合适的 DC-DC可以选择: 2A的 PW2162, 1.2A的 PW2312和 3A的 PW2330以及以上都最合适的。
PW2162是一颗 DC-DC同步降压转换器芯片,输入电压范围 4.5V-16V,最大负载电流 2A,可调输出电压,频率 600kHZ高频率,可采用贴片电感,节省空间,采用 SOT23-6封装形式。
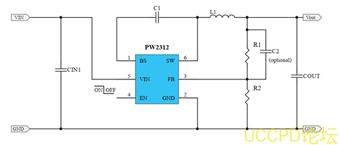
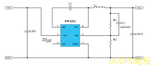
PW2312是一颗 DC-DC同步降压转换器芯片,输入电压范围 4V-30V,最大负载电流 1.2A,可调输出电压,频率 1.4MHZ高频率,可采用贴片电感,节省空间,采用 SOT23-6封装形式。
PCB图适用于 PW2162和 PW2312案例:




