24V转5V降压芯片,低功耗,高效率大电流电源芯片
- 2021-01-03 13:42:00
- 技术管理员 原创
- 3373
24V转 20V, 24V转 15V , 24V转 12V, 24V转 9V, 24V转 5V, 24V转 3.3V, 24V转 3V, 24V转 1.8V, 24V转 1.2V.
24V转
5V降压芯片,
24V转
5V稳压芯片,
24V转
5V降压芯片,
24V转
5V稳压芯片
24V转
5V降压芯片,
24V转
5V稳压芯片,
24V转
5V降压芯片,
24V转
5V稳压芯片,
24V转
5V降压芯片,
24V转
5V稳压芯片,
24V转
5V降压芯片,
24V转
5V稳压芯片,
24V转
5V降压芯片,
24V转
5V稳压芯片,
24V转
5V降压芯片,
24V转
5V稳压芯片,
24V
转
5V
降压芯片,
24V
转
5V
稳压芯片可以使用PW2312,PW6206,PW2330这3个型号。
|
型号 |
输入电压范围 |
输出电压范围 |
输出电流 |
静态功耗 |
封装 |
|
PW2312 |
4V ~ 30V |
ADJ |
1.2A |
400uA |
SOT23-6L |
|
PW6206 |
4.8V ~ 40V |
3V , 3.3V , 3.6V , 5V |
100mA |
4.2uA |
SOT23-3L/SOT89-3L |
|
PW2330 |
4.5V ~ 30V |
ADJ |
3A |
200uA |
SOP8-EP |
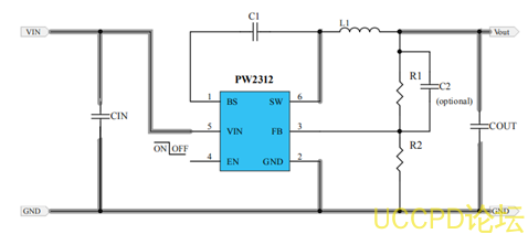
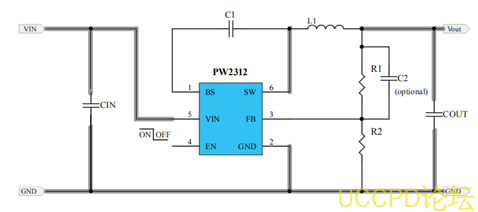
PW2312是一颗 DC-DC同步降压转换器芯片,输入电压范围 4V-30V,最大负载电流 1.2A,可调输出电压,频率 1.4MHZ高频率,可采用贴片电感,节省空间,采用 SOT23-6封装形式。
PW2312是一颗高频率,同步整流降压开关转换器,内部集成了功率 MOS管,节省了外部肖特基二极管,并提高了效率, PW2312采用 SOT23-6的封装形式,可最大 1.5A的输出电流。
PW2312具有宽范围的输入电压:4V-30V,可调的输出电压,最大输出电流1.5A.
代理商:深圳市夸克微科技 郑先生 :13528458039 QQ 2867714804
典型应用电路
PW6206系列是一款高精度,高输入电压,低静态电流,高速,低功耗,具有高纹波抑制的线性稳压器。
PW6206的输入电压 4.75V - 40V,负载电流为在电压 =5V和 VIN=7V时高达 300mA。该设备采用 BCD工艺制造。 PW6206 提供过电流限制、软启动和过温保护,确保设备工作在正常情况下。
PW6206提供 3V,3.3V, 5V输出电压选择,静态电流 4.2uA。
PW6206标准 SOT23-3L封装。产品无铅无卤。
在高压应用中,建议 R、 Cin选用如下:
1, Cin=10μF~100μF电解电容器,最大电压大于 50V, R=0;
2,
Cin=1μF~10μF MLCC,最大电压
V大于
50V,
R=2Ω,
1206型电阻器,以确保有足够的裕量来维持浪涌电流输入尖峰电压
PW2330开发了一种高效率的同步降压 DC-DC转换器 3A输出电流。 PW2330在 4.5V到 30V的宽输入电压范围内工作集成主开关和同步开关,具有非常低的 RDS( ON)以最小化传导损失。 PW2330采用专有的瞬时 PWM结构,实现快速瞬态响应适用于高降压应用和轻负载下的高效率。此外,它在在连续传导模式下的 500kHz伪恒定频率,以最小化电感器和电容器。


