24V转5V稳压芯片,输出电流1.5A,同步整流IC PW2312
- 2021-01-03 15:57:00
- 技术管理员 原创
- 3377
24V转 20V, 24V转 15V , 24V转 12V, 24V转 9V, 24V转 5V, 24V转 3.3V, 24V转 3V, 24V转 1.8V, 24V转 1.2V.
24V转 5V降压芯片, 24V转 5V稳压芯片, 24V转 5V降压芯片, 24V转 5V稳压芯片 24V转 5V降压芯片, 24V转 5V稳压芯片, 24V转 5V降压芯片, 24V转 5V稳压芯片, 24V转 5V降压芯片, 24V转 5V稳压芯片, 24V转 5V降压芯片, 24V转 5V稳压芯片, 24V转 5V降压芯片, 24V转 5V稳压芯片, 24V转 5V降压芯片, 24V转 5V稳压芯片,
24V 转 5V 降压芯片, 24V 转 5V 稳压芯片可以使用PW2312,PW6206,PW2330这3个型号。
一般说明
PW2312是一个高频,同步,整流,降压,开关模式转换器内部功率MOSFET。它提供了一个非常紧凑的解决方案,以实现1.5A的峰值输出电流在广泛的输入电源范围内,具有优良的负载和线路调节PW2312需要最少数量的现成外部组件,可在节省空间的SOT23-6包。
特征
l 宽4V至30V工作输入范围
l 1.2A连续输出电流
l 1.4MHz开关频率
l 短路保护模式
l 内置过流限制
l 内置过电压保护
l 模式PWM
l 内部软启动
l 200mΩ/150mΩ低RDS(ON)内部功率金氧半晶体
l 不需要肖特基二极管
l 综合内部补偿
l 热关机
l 提供SOT23-6套装
l -40°C至+85°C温度范围
应用
l 闭路电视摄像机
l 平板电视和显示器
l 电池充电器
l 分布式电力系统
代理商:深圳市夸克微科技 郑先生 :13528458039 QQ 2867714804
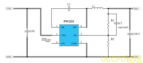
CIN推荐47-100uF同时并联0.1uF,输入电压低时贴片电容,输入高时要电解电容
COUT建议22uF两个并联,L1推荐2.2-4.7UH,C2一般是22pF,可调输入电压低时,EN可直接接VIN,输入电压高时,一般串个电阻再接VIN。


