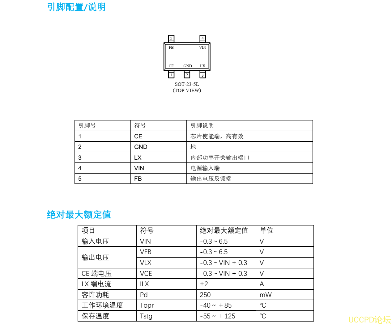
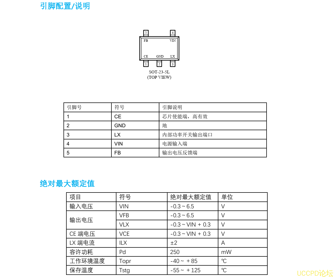
AS11D五脚芯片,AS15D降压芯片规格书资料
- 2020-09-12 00:05:00
- 夸克微 原创
- 6712
AS11D,AS15D是一颗同步整流的DC-DC降压芯片,具有高效率。一般适用于锂电池3V-4.2V输入,或者5V输入的降压稳压电路应用。
AS11D,AS15D
采用SOT23-5封装。
AS11D,AS15D电路图:
AS11D,AS15D的引脚脚位:
供应商 深圳市夸克微科技 MR郑 13528458039 qq:2867714804
PW2051 是一款由基准电压源、振荡电路、比较器、
PWM/PFM 控制电路等构成的
CMOS 降压型
DC/DC 调整器。利用
PWM/PFM 自动切换控制电路达到可调占空比,具有全输入电压范围内的低纹波、高效率和大输出电流等特点。
PW2051 内置功率
MOSFET, 集成了过压、过流、过热、短路等诸多保护电路,在超过控制值时会自动断开,以保护芯片。本产品结合了微型封装和低消耗电流等特点,最适合在移动设备的电源内部使用。
PW2051最大输出电流
1.5A,超高效率
95%

