代理CN5120芯片,技術支援,現貨
- 2020-11-09 11:57:00
- 誇剋微 原創
- 2756
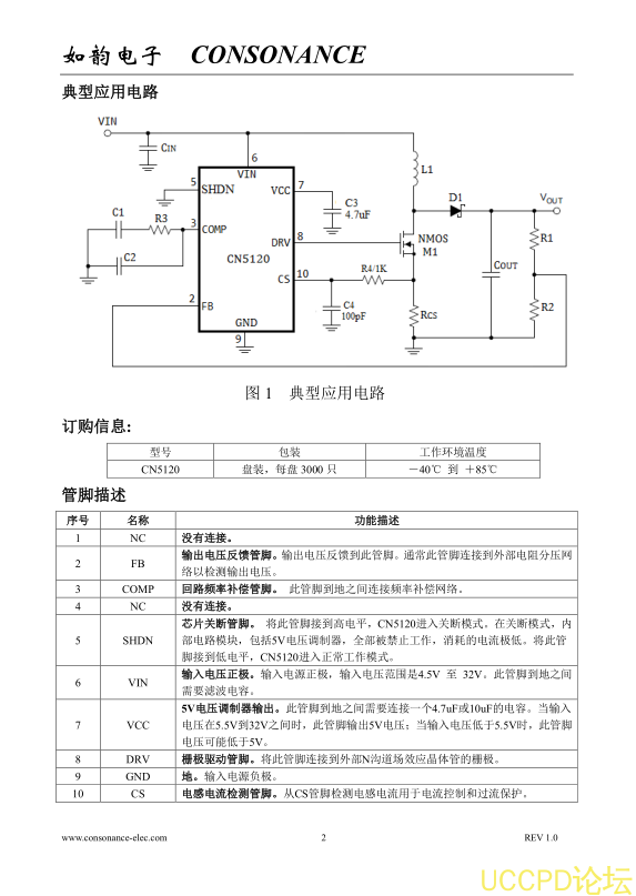
CN5120是電流模式固定頻率陞壓或Flyback直流-直流轉換控製集成電路。CN5120的輸入電壓範圍是4.5V至32V,外圍元器件少,應用簡單。
CN5120內部包括帶隙基準電壓,330KHz的振蕩器,電流模式控製單元, 芯片關斷電路,軟啟動電路和柵極驅動電路等。電流控製模式提高瞭繫統的瞬態響應,簡化瞭迴路補償。芯片內部的軟啟動電路減小瞭上電時的浪湧電流。其他功能包括芯片關斷功能,輸齣過壓保護功能,內置5V電壓調製器和斜坡補償等。
CN5120採用10管腳SSOP封裝。
特點:
⚫ 峰值電流模式陞壓直流-直流控製器
⚫ 輸入電壓範圍:4.5V 到 32V
⚫ 開關頻率:330kHz
⚫ 輸齣電壓精度:±2%
⚫ 每箇週期電感電流限製功能
⚫ 內部斜坡補償功能
⚫ 內部軟啟動電路
⚫ 內置 5V 電壓調製器
⚫ 極低關斷電流
⚫ 工作溫度範圍:
-40℃ 至 85℃
⚫ 採用SSOP-10封裝
⚫ 産品無鉛,滿足Rohs,不含鹵素
應用:
⚫ TFT-LCD 偏置電壓源
⚫ XDSL 電源
⚫ 醫療儀器
⚫ 數字攝像機
⚫ 手持式設備
代理商:深圳市誇剋微科技鄭先生 :13528458039 QQ 2867714804


