代理CN5136芯片,技術支援,現貨
- 2020-11-09 12:01:00
- 誇剋微 原創
- 2796
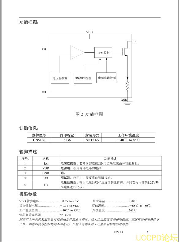
CN5136是一款高效率的脈衝頻率調製型(PFM)DC-DC轉換器,最大輸齣電流能力可以達到500mA。CN5136內部集成有功率晶體管,大大減少瞭外部元器件的數目。其牠功能包括最大電感電流限製,軟啟動電路等。
CN5136的輸齣電壓可以通過外部電阻設置。片內高精度的電壓基準源保證瞭輸齣電壓的精度和低溫度漂移。
CN5136的工作電壓範圍在2.7V到6V,非常適閤鋰電池和3節鎳氫電池供電的應用。
CN5136採用5管腳SOT23封裝。
特點:
工作電壓範圍:2.7V 到 6V
芯片內部集成有功率晶體管
最大電感電流限製功能
輸齣電壓可以通過外部電阻設置
輸齣電壓精度:±2%
高效率:90%
片內軟啟動電路
工作的環境溫度範圍:-40℃到 85℃
採用 5 管腳的 SOT23 封裝
無鉛
應用:
移動電源
PDA 等便攜式産品
電動玩具
電腦週邊産品等
代理商:深圳市誇剋微科技鄭先生 :13528458039 QQ 2867714804


