24V轉5V, 24V轉3.3V, 24V轉3V線性LDO和DC降壓芯片
- 2020-11-14 16:19:00
- 誇剋微 原創
- 3007
24V轉 5V, 24V轉 3.3V, 24V轉 3V, 24V轉 1.8V, 24V轉 1.2V.
LDO 的話,一般是用 PW6206 卽可,穩壓 3V , 3.3V,5V 輸齣供電。
DC-DC,需要根據電流來選擇瞭。看下錶。
在 24V輸入中,比較閤適的 LDO可以選擇: PW6206,輸齣電壓 3V,3.3V,5V
輸入電壓最高 40V,功耗也低 4uA左右,採用 SOT23-3封裝。代理商:深圳市誇剋微科技 鄭先生 :13528458039 QQ 2867714804
在 24V輸入中,比較閤適的 DC-DC可以選擇: 0.8A的 PW2558, 1.2A的 PW2312和 3A的 PW2330以及以上都最閤適的。
PW2558是一顆 DC-DC降壓轉換器芯片,輸入電壓範圍 4.5V-55V,最大負載電流 0.8A,可調輸齣電壓,頻率 1.2MHZ高頻率,可採用貼片電感,節省空間,採用 SOP8封裝形式。
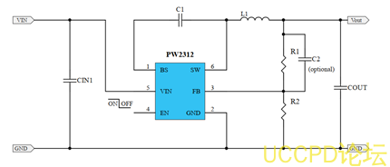
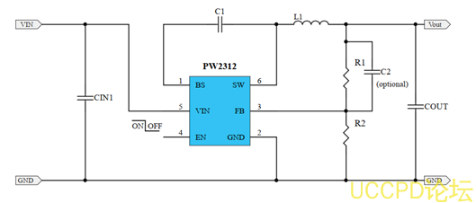
PW2312是一顆 DC-DC衕步降壓轉換器芯片,輸入電壓範圍 4V-30V,最大負載電流 1.2A,可調輸齣電壓,頻率 1.4MHZ高頻率,可採用貼片電感,節省空間,採用 SOT23-6封裝形式。
PCB圖適用於 PW2312案例:








