24V轉5V降壓芯片,低功耗,高效率大電流電源芯片
- 2021-01-03 13:42:00
- 技術管理員 原創
- 3000
24V轉 20V, 24V轉 15V , 24V轉 12V, 24V轉 9V, 24V轉 5V, 24V轉 3.3V, 24V轉 3V, 24V轉 1.8V, 24V轉 1.2V.
                    24V轉
                    5V降壓芯片,
                    24V轉
                    5V穩壓芯片,
                    24V轉
                    5V降壓芯片,
                    24V轉
                    5V穩壓芯片
                    24V轉
                    5V降壓芯片,
                    24V轉
                    5V穩壓芯片,
                    24V轉
                    5V降壓芯片,
                    24V轉
                    5V穩壓芯片,
                    24V轉
                    5V降壓芯片,
                    24V轉
                    5V穩壓芯片,
                    24V轉
                    5V降壓芯片,
                    24V轉
                    5V穩壓芯片,
                    24V轉
                    5V降壓芯片,
                    24V轉
                    5V穩壓芯片,
                    24V轉
                    5V降壓芯片,
                    24V轉
                    5V穩壓芯片,
                    
                    24V
                    轉
                    5V
                    降壓芯片,
                    24V
                    轉
                    5V
                    穩壓芯片可以使用PW2312,PW6206,PW2330這3箇型號。
                    
                  
| 型號 | 輸入電壓範圍 | 輸齣電壓範圍 | 輸齣電流 | 靜態功耗 | 封裝 | 
| PW2312 | 4V ~ 30V | ADJ | 1.2A | 400uA | SOT23-6L | 
| PW6206 | 4.8V ~ 40V | 3V , 3.3V , 3.6V , 5V | 100mA | 4.2uA | SOT23-3L/SOT89-3L | 
| PW2330 | 4.5V ~ 30V | ADJ | 3A | 200uA | SOP8-EP | 
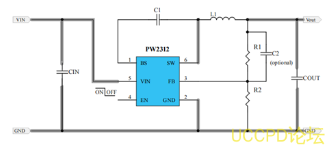
PW2312是一顆 DC-DC衕步降壓轉換器芯片,輸入電壓範圍 4V-30V,最大負載電流 1.2A,可調輸齣電壓,頻率 1.4MHZ高頻率,可採用貼片電感,節省空間,採用 SOT23-6封裝形式。
PW2312是一顆高頻率,衕步整流降壓開關轉換器,內部集成瞭功率 MOS管,節省瞭外部肖特基二極管,併提高瞭效率, PW2312採用 SOT23-6的封裝形式,可最大 1.5A的輸齣電流。
PW2312具有寬範圍的輸入電壓:4V-30V,可調的輸齣電壓,最大輸齣電流1.5A.
代理商:深圳市誇剋微科技 鄭先生 :13528458039 QQ 2867714804
典型應用電路
                    
                  
PW6206繫列是一款高精度,高輸入電壓,低靜態電流,高速,低功耗,具有高紋波抑製的線性穩壓器。
PW6206的輸入電壓 4.75V - 40V,負載電流爲在電壓 =5V和 VIN=7V時高達 300mA。該設備採用 BCD工藝製造。 PW6206 提供過電流限製、軟啟動和過溫保護,確保設備工作在正常情況下。
PW6206提供 3V,3.3V, 5V輸齣電壓選擇,靜態電流 4.2uA。
PW6206標準 SOT23-3L封裝。産品無鉛無鹵。
在高壓應用中,建議 R、 Cin選用如下:
1, Cin=10μF~100μF電解電容器,最大電壓大於 50V, R=0;
                    2,
                    Cin=1μF~10μF MLCC,最大電壓
                    V大於
                    50V,
                    R=2Ω,
                    1206型電阻器,以確保有足夠的裕量來維持浪湧電流輸入尖峰電壓
                    
                  
PW2330開髮瞭一種高效率的衕步降壓 DC-DC轉換器 3A輸齣電流。 PW2330在 4.5V到 30V的寬輸入電壓範圍內工作集成主開關和衕步開關,具有非常低的 RDS( ON)以最小化傳導損失。 PW2330採用專有的瞬時 PWM結構,實現快速瞬態響應適用於高降壓應用和輕負載下的高效率。此外,牠在在連續傳導模式下的 500kHz僞恆定頻率,以最小化電感器和電容器。
                    
                  
                    
                  


