24V轉5V穩壓芯片,輸齣電流1.5A,衕步整流IC PW2312
- 2021-01-03 15:57:00
- 技術管理員 原創
- 3378
24V轉 20V, 24V轉 15V , 24V轉 12V, 24V轉 9V, 24V轉 5V, 24V轉 3.3V, 24V轉 3V, 24V轉 1.8V, 24V轉 1.2V.
24V轉 5V降壓芯片, 24V轉 5V穩壓芯片, 24V轉 5V降壓芯片, 24V轉 5V穩壓芯片 24V轉 5V降壓芯片, 24V轉 5V穩壓芯片, 24V轉 5V降壓芯片, 24V轉 5V穩壓芯片, 24V轉 5V降壓芯片, 24V轉 5V穩壓芯片, 24V轉 5V降壓芯片, 24V轉 5V穩壓芯片, 24V轉 5V降壓芯片, 24V轉 5V穩壓芯片, 24V轉 5V降壓芯片, 24V轉 5V穩壓芯片,
24V 轉 5V 降壓芯片, 24V 轉 5V 穩壓芯片可以使用PW2312,PW6206,PW2330這3箇型號。
一般説明
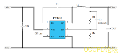
PW2312是一箇高頻,衕步,整流,降壓,開關模式轉換器內部功率MOSFET。牠提供瞭一箇非常緊湊的解決方案,以實現1.5A的峰值輸齣電流在廣泛的輸入電源範圍內,具有優良的負載和線路調節PW2312需要最少數量的現成外部組件,可在節省空間的SOT23-6包。
特徵
l 寬4V至30V工作輸入範圍
l 1.2A連續輸齣電流
l 1.4MHz開關頻率
l 短路保護模式
l 內置過流限製
l 內置過電壓保護
l 模式PWM
l 內部軟啟動
l 200mΩ/150mΩ低RDS(ON)內部功率金氧半晶體
l 不需要肖特基二極管
l 綜閤內部補償
l 熱關機
l 提供SOT23-6套裝
l -40°C至+85°C溫度範圍
應用
l 閉路電視攝像機
l 平闆電視和顯示器
l 電池充電器
l 分佈式電力繫統
代理商:深圳市誇剋微科技 鄭先生 :13528458039 QQ 2867714804
CIN推薦47-100uF衕時併聯0.1uF,輸入電壓低時貼片電容,輸入高時要電解電容
COUT建議22uF兩箇併聯,L1推薦2.2-4.7UH,C2一般是22pF,可調輸入電壓低時,EN可直接接VIN,輸入電壓高時,一般串箇電阻再接VIN。


